В електричних водонагрівачах серії GBF UA втілений багатий практичний досвід у поєднанні з найсучаснішими технологіями.
«Сухий» нагрівальний елемент, розташований в ізольованій колбі з емальованим покриттям, не має прямого контакту з водою, а колба має низьку поверхневу температуру, що знижує відкладення накипу на його поверхні, а значить, продовжує термін служби нагрівального елементу.
Внутрішній резервуар водонагрівача виготовлений з високоякісного холоднокатаного листа сталі, що є надійною і сильною основою для застосування емалі. Товстий сталевий лист (2,25 мм для верхньої та нижньої частини водомісткого баку та 1,8 мм для бічної частини) та захисне покриття емалі без домішок забезпечують надійне функціонування водонагрівача в умовах експлуатації з підвищеним навантаженням. Ретельно контрольоване вологе нанесення емалі фіксується запіканням при температурі 850 °С. Збільшений захисний магнієвий анод забезпечує додатковий захист від корозії.
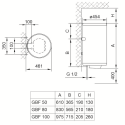
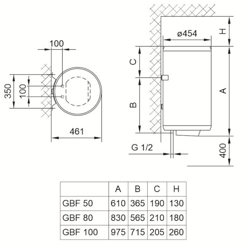
Водонагрівачі GBF UA призначенні для вертикального монтажу.
• Сухий нагрівальний елемент;
• Стандартний корпус круглого перерізу;
• Вертикальний монтаж на стіні;
• Регулювання температури за допомогою диска керування;
• Максимальна температура нагріву 75 °С;
• Економний температурний режим 55 °С;
• Режим запобігання замерзанню 10 °С;
• Індикатор роботи нагрівального елементу;
• Гарантія – 24 місяці на водонагрівач і 120 місяців на водомісткий резервуар, за умови його обслуговування кожні 2 роки.
| * | (1) Постанова ЄС 812/2013; EN 50440 (2) Значення дійсні при випробуваннях за умовами EN 50440 (3) Значення дійсні для змішування холодної води при температурі 15°С з водопроводу та води при температурі 65°С з водонагрівача (стандарт SIST EN 60379:2005) |
| Індикація подачі напруги живлення | Так |
| Індикація роботи нагрівальних елементів | Так |
| Індикація температури нагріву | Аналоговий термометр |
| Інструкція з експлуатації та гарантійний талон | Так |
| Артикул | 700096 |
| Відображення режимів роботи | Світловий індикатор |
| Вага брутто, кг | 27 |
| Вага нетто, кг | 24 |
| Вимикач напруги живлення на корпусі | Так |
| Встановлення | Вертикальне |
| Габарити (Ш х Г х В), мм | 454 х 461х 608 |
| Габарити в упаковці (Ш х Г х В), мм | 480 x 490 x 615 |
| Гарантійний термін на внутрішній бак(и) | 120 міс |
| Гарантійний термін на водонагрівач | 24 міс |
| Добове споживання електроенергії, кВт/24 год (2) | 6.69 |
| Енергетична ефективність нагріву води,% | 36 |
| Запобіжний клапан | Так |
| Захисний магнієвий анод | Так |
| Захист від ввімкнення без води | Нi |
| Захист від замерзання | Так |
| Захист від перегріву | Так |
| Зовнішній регулятор температури | Так |
| Кількість внутрішніх баків х об'єм | 1 х 47.1 |
| Кількість нагрівальних елементів х потужність, n х кВт | 2 х 1.0 |
| Кількість точок водорозбору, шт | 2 |
| Керування через Інтернет | Ні |
| Клас електрозахисту** | I |
| Клас енергоефективності (1) | C |
| Клас захисту корпусу | IP34 |
| Корпус | Стандартний |
| Кран для зливу | Так |
| Максимальна температура нагріву, °С | 75 |
| Матеріал внутрішнього бака | Сталь |
| Матеріал корпусу | Сталь |
| Модель | GBF 50 UA |
| Набір кріплень | Ні |
| Напруга живлення / частота мережі, В / Гц | 230 / 50 |
| Номінальна потужність, кВт | 2 |
| Номінальний струм, А | 8.7 |
| Об'єм змішаної води при Т=40°С, л | 66 (2) |
| Об`єм, л | 47.1 |
| Основний колір | Білий |
| Підключення води | Нижнє |
| Покриття внутрішнього бака | Емаль |
| Пристрій захисного відключення (ПЗВ) | Ні |
| Профіль навантаження | M |
| Пульт ДК | Ні |
| Річне споживання електроенергії АЕС, кВт/р (1) | 1427 |
| Регулювання потужності | Ні |
| Рекомендований запобіжник, А | 16 |
| Рекомендований переріз кабелю, матеріал, х мм кв | 3 х 1.5 |
| Робочий тиск у водопроводі з холодною водою (мін/макс), Бар | 0.5 / 9.00 |
| Розмір з'єднання гарячої води | G1/2” |
| Розмір з'єднання холодної води | G1/2” |
| Серія | Comfort |
| Силовий кабель / вилка | Нi / Ні |
| Спосіб монтажу | На стіну |
| Схема підключення | 1 фаза |
| Таймер | Ні |
| Температура нагріву при максимальній енергоефективності T out of box, °С | 55 |
| Теплові втрати (4) | 1.32 (4) |
| Тип водонагрівача | Електричний накопичувальний |
| Тип керування | Механічний |
| Тип нагрівального елементу | "Сухий" |
| ТМ | TIKI |
| Товщина ізоляції (мін/макс), мм | 23 |
| Умови експлуатації | Напірний |
| Умови забезпечення гарантійного терміну на внутрішній бак | Технічне обслуговування кожні 2 роки від дати покупки |
| Форма перерізу корпусу | Кругла |
| Функція інтелектуального керування | Ні |
| Час нагріву (ΔT=45°С) | 1:55 (ΔT=65°С) |
| Штрих-код | 3830050386123 |
