Мийка має найбільш розповсюджену конструкцію в формі чаші з крилом, на якому можна сушити посуд чи продукти. Крило має невеликий нахил, завдяки якому волога не затримується і стікає в злив. Також крило може служити місцем для обробки, нарізання чи тимчасового зберігання продуктів харчування. Монтаж відбувається найбільш простим способом - мийка встановлюється в завчасно підготовлений отвір, герметизується і фіксується. Такий монтаж можна виконати самостійно.
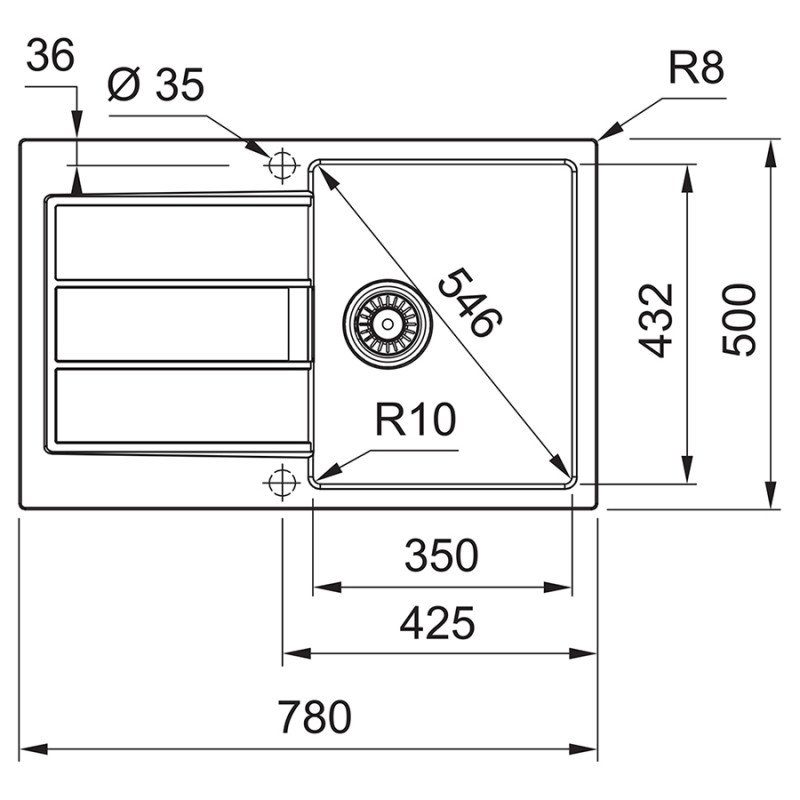
| Мінімальна ширина шафи (бази) | 500 мм |
| Матеріал корпуса | тектонайт |
| Основних чаш | 1 шт |
| Особливості | місце для монтажу змішувача, можливість обертання |
| Розміри основної чаші (ДхШхГ) | 350 x 432 x 200 |
| Сушка посуду (крило) | 1 |
| Тип монтажу | врізна |
| Форма | прямокутна |
